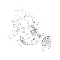
FRONT UPRIGHT AND HUB

FRONT UPRIGHT AND HUB

No hay productos disponibles

¡Estate atento! Próximamente se añadirán más productos.

Arriba